BT OSL Side Lock Oil Hole Holders (JIS-B 6339)

Efficient cooling and lubrication: The precise oil passage system can directly spray the cutting fluid onto the cutting area, achieving efficient cooling and lubrication, reducing the cutting temperature and minimizing tool wear.

High precision: The tool holder is manufactured with exquisite craftsmanship, using high-quality materials and precision machining technology, ensuring high precision of the tool holder. The taper accuracy can reach AT3 level, and the runout accuracy is less than 0.005mm, ensuring the stability of tool installation and machining accuracy.


Product Details

Product Description

The EOC tool holder is a precision tool used to connect the machine tool spindle and the cutting tool. It is suitable for various machining scenarios, such as milling, drilling, and tapping. It is usually made of high - quality materials and has a high - precision 7:24 taper, which can closely cooperate with the machine tool spindle to ensure the stability and accuracy of the cutting tool during high - speed rotation and cutting. There are various specifications and models of EOC tool holders, which can be selected according to different machine tools and cutting tool requirements. Common series include BT/EOC, CAT/EOC, and SK/EOC.


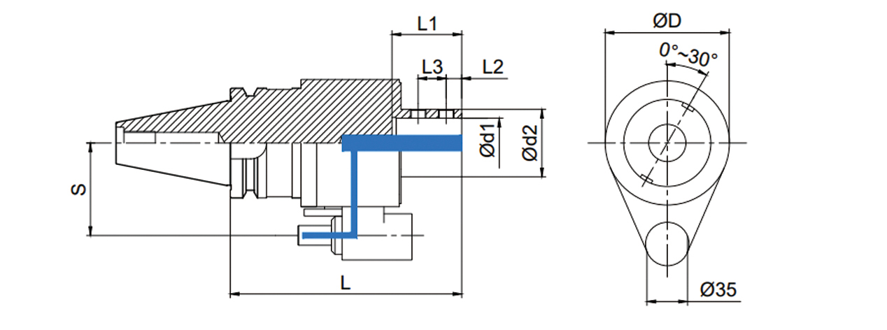
Product Schematic

BT OSL Side Lock Oil Hole Holders  (JIS-B 6339)


Product Parameter

BT OSL Side Lock Oil Hole Holders  (JIS-B 6339)

Quality Inspection

Jiehe Machinery owns a leading tool holder production factory and inspection and testing center in China, with manufacturing capabilities ranking among the top. Our core production and testing equipment include GROB, TAKISAWA, Doosan, HAIMER, KELCH, ZOLLER, Mitutoyo, etc., and we also possess the full range of standard tool holders and tool holder gauges from German Diebold. The use of these equipment further ensures the superiority of our production efficiency and product quality.

We have an intelligent production line, which ensures the stability of product quality and greatly improves production efficiency.


BT OSL Side Lock Oil Hole Holders  (JIS-B 6339)


BT OSL Side Lock Oil Hole Holders  (JIS-B 6339)


Factory Displayment

Jining Jiehe Machinery Co., Ltd., established in 2000, is a national high-tech enterprise and a provincial-level technology-driven and innovative company. Specializing in CNC machine tool accessories, the company offers over 1,000 product varieties, with 60% of products exported. With over 200 CNC machines and a team of more than 100 employees, Jiehe has earned over 30 national patents and is recognized for its well-known trademarks such as CNCJiehe, Sun Moon Lake, and Goose. The company regularly participates in international exhibitions across Beijing, Shanghai, the U.S., Germany, Italy, and Tokyo, building a strong global market presence. By benchmarking top companies in Germany and Japan, Jiehe has achieved rapid development and established a comprehensive production and R&D base with subsidiaries in Jining, Shandong, Suzhou, and beyond.


BT OSL Side Lock Oil Hole Holders  (JIS-B 6339)

BT OSL Side Lock Oil Hole Holders  (JIS-B 6339)

BT OSL Side Lock Oil Hole Holders  (JIS-B 6339)


BT OSL Side Lock Oil Hole Holders  (JIS-B 6339)

BT OSL Side Lock Oil Hole Holders  (JIS-B 6339)


Leave your messages

Related Products

x

Popular products

x